
詳細な製品説明
| 利点: | 高速 | ラベル付け速度: | 60〜200個/分 |
|---|---|---|---|
| 関数: | 粘着ステッカーのラベリング | 素材: | ステンレス鋼 |
| ボトルタイプ: | 自動ラウンドボトルラベラージャー | 応用: | あらゆる種類の丸い容器用 |
| Plcブランド: | 三菱(日本) | サーボラベリングモーター: | デルタ(台湾) |
赤ワインラベリングマシンガラスワインボトルラベリングマシン、PLC制御システムMITSUBISHIブランドラベリングマシン
特徴:
1.操作:PLC制御システムによりラベルマシンの操作が簡単になります
2.材質:ラベリングマシン本体はSUS304ステンレス製
3.構成:当社のラベリングマシンは、有名な日本、ドイツ、アメリカ、韓国、または台湾のブランド部品を採用しています
4.柔軟性:クライアントは、プリンターとコードマシンを追加することを選択できます。 converyerに接続するかどうかを選択できます。
技術的パラメータ:
| 名前 | 高速スリーブシュリンクラウンドボトルラベリングマシン用自動ラウンドワインボトル |
| ラベル付け速度 | 60〜350個/分 |
| オブジェクトの高さ | 30-350mm |
| オブジェクトの厚さ | 20-120mm |
| ラベルの高さ | 5-180mm |
| ラベルの長さ | 25-300mm |
| ラベルローラー内径 | 76mm |
| ラベルローラー外径 | 420mm |
| ラベル付けの精度 | ±1mm |
| 電源 | 220V 50 / 60HZ 3.5KW |
| プリンターのガス消費量 | 5Kg / m2(コーディングマシンを追加する場合) |
| ラベル印刷機のサイズ | 2800(L)×1650(W)×1500(H)mm |
| ラベル印刷機の重量 | 180kg |
構成
| 番号。 | 部 | ブランド | 量 |
| 1 | PLC | 三菱(日本) | 1 |
| 2 | メインコンバーター | ダンフォス(デンマーク) | 1 |
| 4 | HMI | WEINVIEW(台湾) | 1 |
| 5 | サーボラベリングモーター | デルタ(台湾) | 1 |
| 6 | サーボラベリングモータードライバー | デルタ(台湾) | 1 |
| 7 | コンベアモーター | HY(台湾) | 1 |
| 8 | コンベアモーターギアボックス | HY(台湾) | 1 |
| 9 | 分割ボトルモーター | GPG(台湾) | 1 |
| 10 | ボトルモーターギアボックスの分割 | GPG(台湾) | 1 |
| 11 | ボトル分離モータースピードガバナー | GPG(台湾) | 1 |
| 12 | スポークモーター | GPG(台湾) | 1 |
| 13 | スポークモーターギアボックス | GPG(台湾) | 1 |
| 14 | オブジェクトはマジックアイを検出します | オムロン(日本) | 1 |
| 15 | 光ファイバ | オムロン(日本) | 1 |
機械の詳細:

32の主要なラベリングマシン部品

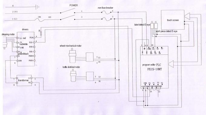
回路図

よくある質問:
1.ラベルが泡立つ
理由:
①ボードの剥がれが良くない/平らでない;
②プラウボードが良くない/平らでない;
③ラベリング出力が速すぎる、または組立ラインの速度が遅すぎる。
④ラベルが緩すぎる
ソリューション:
①フラットピールオフボードを交換します。
②フラットプラウボードを交換します。
③ラベリング出力速度を遅くするか、組立ラインの速度を上げます。
④ラベルベルトに正しく衝撃を与えます。
鬼ごっこ: 工業用ラベリングマシン、ガラス瓶ラベリングマシン









